Polar Nedstigningsbrunn, PRO 1000 H=500 mm Tom botten, PP

Bottendel till nedstigningsbrunn.



AMA kod: PDB.12 Nedstigningsbrunn av plast



  • RSK-nummer: 2357678
  • Pipelife art.nr: 70006792

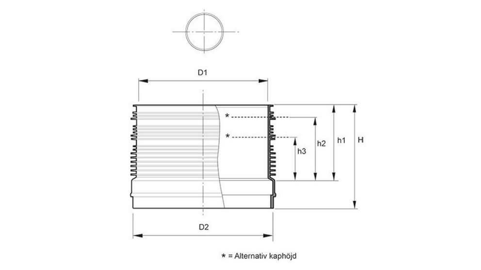
D1 1000 mm
D2 1110 mm
H 670 mm
h1 500 mm
h2 400 mm
h3 250 mm
Nettovikt 51,05
Viktenhet kg

Försäljningsenhet ST
Liten förpackning 1

EPD miljö- och produktdeklaration
GWP-värde för produktsteg (A1-A3) (totalt) CO2e/kg 3,180 kg CO2 equ/kg
GWP-värde för produktsteg (A1-A3) (totalt) CO2e/kg per enhet 162,237 kg CO2 equ/piece
Standard för beräkning av GWP EN15804:2012 + A2:2019
Verifiering av tredje part (GWP) PhD. Eng. Halina Prejzner

Produkten har klass Accepteras hos Byggvarubedömningen
Produkten är registrerad hos Basta
Uppfyller kraven för Nordic Poly Mark


Kontakta oss

Om du har frågor eller behöver mer information om våra lösningar och rörsystem inom vatten och avlopp eller annat så tveka inte att höra av dig. Vi hjälper gärna till.

Get in Touch

kontaktalternativ

*  Mandatory fields

+46
Nedladdningscenter
Hittade du inte det du letade efter?

Kontakt-<br>personer

Kontakta oss +46 513 221 00

Hel lista över kontaktpersoner

Kom i kontakt med vårt team

Vi kommer att kontakta dig så snart som möjligt via E-post eller telefon

Telefon

Kontaktformulär
Vi kommer att kontakta dig