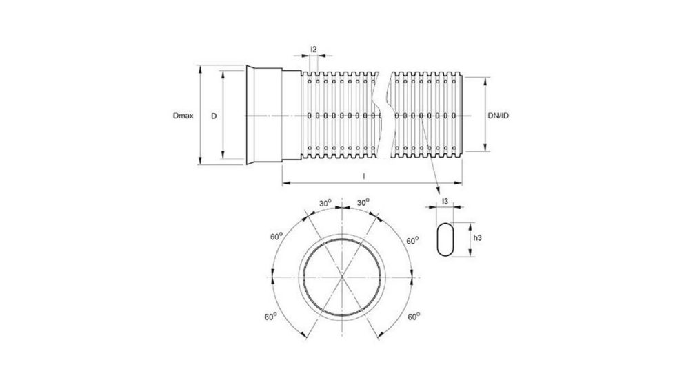
JDR Drän Std 92x80 150 m/rle

Slitsstorlek: Ca 1,3 x 5,0 mm. Slitstyp 1 enligt SS 3520.
AMA kod: PBB.532 Ledning av plaströr, fabriksspecifika dränrör, i ledningsgrav.

  • RSK-nummer: 2372266
  • Pipelife art.nr: 70005859


Kontakta oss

Om du har frågor eller behöver mer information om våra lösningar och rörsystem inom vatten och avlopp eller annat så tveka inte att höra av dig. Vi hjälper gärna till.

Get in Touch

kontaktalternativ

*  Mandatory fields

+46
Nedladdningscenter
Hittade du inte det du letade efter?

Kontakt-<br>personer

Kontakta oss +46 513 221 00

Hel lista över kontaktpersoner

Kom i kontakt med vårt team

Vi kommer att kontakta dig så snart som möjligt via E-post eller telefon

Telefon

Kontaktformulär
Vi kommer att kontakta dig