Infra DV, dagvattenrör 1356/1200 L=6 m

Inkl. muff, Exkl. tätningsring


ljus insida

AMA kod: PB-.55 Trumma av plaströr


  • RSK-nummer: 2593011
  • Pipelife art.nr: 70002088

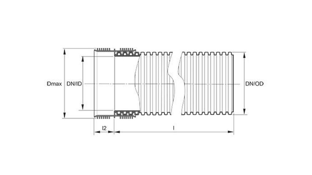
D 1356 mm
DN/ID 1200 mm
DN/OD 1356 mm
Dmax 1410 mm
e 78 mm
l 6 m
l2 400 mm
Nettovikt 435,404
Viktenhet kg

Försäljningsenhet M
Liten förpackning 6

EPD miljö- och produktdeklaration
GWP-värde för produktsteg (A1-A3) (totalt) CO2e/kg 2,03 kg CO2 equ/kg
Standard för beräkning av GWP EN15804:2012 + A2:2019
Verifiering av tredje part (GWP) Håkon Hauan, CEO EPD-Norge

Produkten har klass Sunda Hus B
Produkten har klass Accepteras hos Byggvarubedömningen
Produkten är registrerad hos Basta
Uppfyller kraven för Nordic Poly Mark

Ringstyvhetsklass SN 8
GTIN 9010459127044
Material PP (Polypropylene)


Kontakta oss

Om du har frågor eller behöver mer information om våra lösningar och rörsystem inom vatten och avlopp eller annat så tveka inte att höra av dig. Vi hjälper gärna till.

Get in Touch

kontaktalternativ

*  Mandatory fields

+46
Nedladdningscenter
Hittade du inte det du letade efter?

Kontakt-<br>personer

Kontakta oss +46 513 221 00

Hel lista över kontaktpersoner

Kom i kontakt med vårt team

Vi kommer att kontakta dig så snart som möjligt via E-post eller telefon

Telefon

Kontaktformulär
Vi kommer att kontakta dig